HAKEL HLSA25G-255/3+0
Kód: 10464Detailní popis produktu
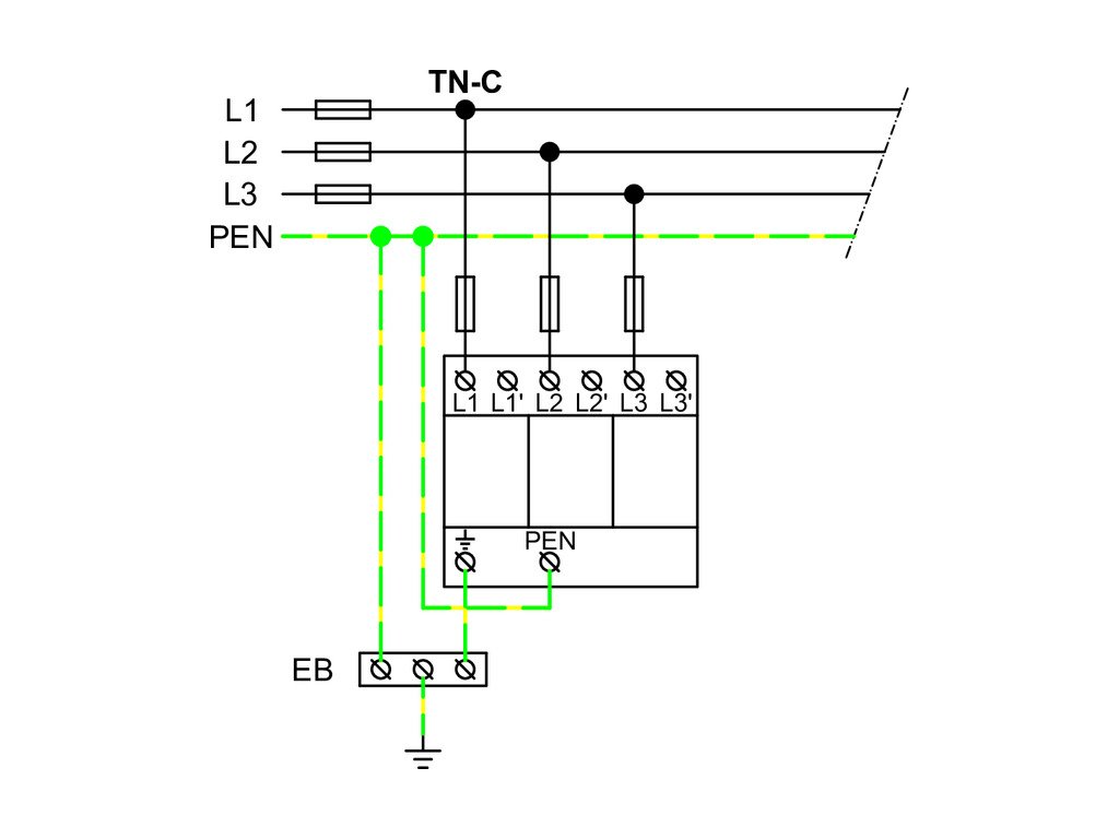
Svodiče impulzních proudů a rázového přepětí typu T1+T2+T3. Výrobky jsou složeny z varistorů s velkou svodovou schopností. HLSA25 v provedení 1+1, 3+1 a HLSA25G jsou navíc v kombinaci s bleskojistkou, která zajišťuje nulový průsakový proud vodičem PE. Vhodné pro objekty s uvažovanou hladinou ochrany LPL I a LPL II. Instalují se na rozhraní zón LPZ 0 – LPZ 1 a vyšší, co nejblíže vstupu kabelového vedení do objektu – hlavních rozvaděčů. V případě instalace svodiče označeného T1+T2+T3 v hlavním rozvaděči je nezbytné instalovat také svodiče přepětí T2 a T3 v podružných rozvaděčích. Pokud výrobek obsahuje dvě svorky PE (resp. PEN), nesmí být použity jako můstek PE (PEN). Označení S specifikuje provedení s dálkovou signalizací. Instaluje se dle norem: ČSN EN 62305 ed. 2, ČSN 33 2000-5-53 ed. 3, ČSN CLC/TS 61643-12.Doplňkové parametry
| Kategorie: | Svodiče přepětí, přepěťové ochrany |
|---|---|
| Záruka: | 24 |
| EAN: | 8590681114292 |
| Způsob montáže: | DIN lišta 35 mm |
| Konfigurace systému DC: | Ne |
| Konfigurace systému IT: | Ne |
| Konfigurace systému TN: | - |
| Konfigurace systému TN-C: | Ano |
| Konfigurace systému TN-C-S: | Ne |
| Konfigurace systému TN-S: | Ne |
| Konfigurace systému TT: | Ne |
| Konfigurace systému ostatní: | - |
| Počet pólů: | 3 |
| Bleskový proud (10/350): | 25 kA |
| Maximální trvalé napětí AC: | 255 V |
| Maximální trvalé napětí DC: | - |
| Jmenovité napětí AC: | 230 V |
| Jmenovité napětí DC: | - |
| Max. PV napětí: | - |
| Ochranná úroveň: | 1,2 kV |
| Ochranná hladina L-N: | - |
| Voltage protection level L-PE: | - |
| Ochranná hladina N-PE: | - |
| Úroveň ochrany napětí (DC+ - DC-): | - |
| Úroveň ochrany napětí (DC+/DC- - PE): | - |
| Schopnost zhášení následného proudu: | - |
| Měrná energie (W / R): | 156 kJ/Ohm |
| Max. průřez tuhého (jedno/vícedrátového) vodiče: | 35 mm2 |
| Max. průřez pružného vodiče (jemné lanko): | 25 mm2 |
| Způsob montáže: | DIN lišta 35 mm |
| Konstrukční velikost: | 6 TE |
| Dálková signalizace: | Ne |
| Signalizace na přístroji: | Optické |
| Zkušební třída: | Typ 1 a 2 |
| Vyfukovací: | Ano |
| Integrovaná předřazená pojistka: | - |
| Energeticky koordinovaný ochranný účinek s ohledem: | ano |
| Krytí (IP): | IP20 |
| Energeticky koordinovaný ochranný účinek s koncový: | Ano |
| Značka: | Hakel |
| Šířka: | 106 mm |
| Délka: | 177 mm |
| Výška: | 71 mm |
| Hmotnost: | 780 g |
Buďte první, kdo napíše příspěvek k této položce.
Přidat komentář




